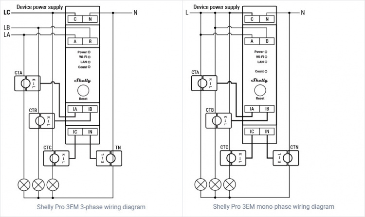
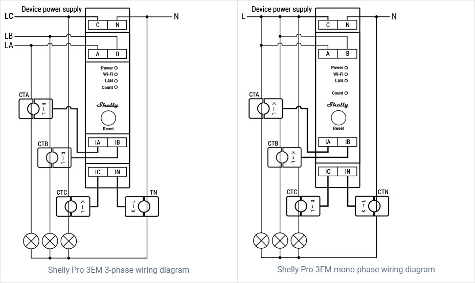
Shelly Pro3 EM är en trefas energimätare som med hjälp av transformatorhållare mäter energi i tre separata faser med en belastning på upp till 120 A och en noggrannhet på 99 %. Enheten rapporterar i realtid den ackumulerade energin samt den momentana spänningen, strömmen och effektfaktorn för varje fas. Den lagrar data i ett icke-flyktigt minne som kan hämtas för upp till 60 dagar med 1 minuts intervall.
Shelly Pro 3EM är utformad för montering på DIN-skena och levereras med tre strömtransformatorer. Enheten rapporterar effektmätning (W), spänningsmätning (V), strömmätning (A) och effektfaktor (PF) i realtid och lagrar mätningarna i upp till 60 dagar lokalt på enheten och i 365 dagar när den är ansluten till Shelly Cloud-applikationen. Enheten uppfyller även kraven i standarden IEC 62053-21 med en noggrannhet motsvarande klass B (högst 1 % avvikelse). Shelly Pro 3EM har en inbyggd realtidsklocka som behåller tid och datum om anslutningen till SNTP-servern bryts.
Shelly Shelly kan anslutas till internet eller ett lokalt 2,4 GHz WiFi-nätverk. Dessutom har enheten inbyggd Bluetooth, precis som alla Pro- och Plus-enheter, vilket gör det möjligt att använda Pro 3EM som en gateway till andra Bluetooth-enheter. Enheten fungerar lokalt utan anslutning till Shelly Cloud, men det rekommenderas att aktivera detta för att underlätta datalagring och öka funktionaliteten. Enheten kan också kommunicera via MQTT, HTTP och WebSocket. Dessutom stöder Pro 3EM MODBUS-bussen, vilket möjliggör enkel och snabb driftsättning i befintliga industriella installationer.
Enheten är utrustad med andra generationens hårdvara, som innehåller en kraftfull ESP32-processor och förbättrade säkerhetsfunktioner, såsom skydd mot överhettning, överström, överspänning och överbelastning. Den möjliggör även användning av kommandosekvenser för avancerade och anpassade funktioner samt en räckviddsutvidgningsfunktion med enheten.
Observera att Shelly Pro 3EM inte har ett inbyggt torrkontaktrelä, som den äldre Shelly 3EM. Istället kan man ansluta Shelly Pro Add-On-modulen för upp till trefasanslutningar.
Shelly n smarta hem-produkter stöder de virtuella assistenterna Amazon Alexa och Google Assistant. Utöver de ovan nämnda stöds även flera andra smarta hem-system/plattformar (kontrollera kompatibiliteten för varje produkt). Shellys produkter ansluts till ett trådlöst Wi-Fi-nätverk och behöver ingen separat hemautomatiseringskontroller för att fungera.
Observera att installationen endast får utföras av en auktoriserad elektriker.
Egenskaper:
- Modell: Shelly Pro 3EM
- Nominell spänning: växelström: 110–240 V, 50/60 Hz
- Tre oberoende mätkanaler på max. 120 A
- Det interna minnet lagrar historikdata för upp till 60 dagar
- Trådlös standard: Wi-Fi 802.11b/g/n, 2,4 GHz
- Stöd för MQTT, HTTP, WebSocket och MODBUS
- Shelly Molnapp – stöd för Android och iOS
- Driftstemperatur: -20 ºC till +40 ºC, endast för inomhusbruk
- Mått: 94 x 19 x 69 mm
- Vikt: 62 g
Förpackningens innehåll:
- Shelly Pro 3EM
- 120 A-klämmor, 3 st
- Snabbguide
- Ansluts till Wi-Fi-nätverk
- För mätning av strömförbrukning
- För mätning i tre steg
